Q: Classification of rollers in roller bearings.
A: Rolling elements are the most indispensable parts of rolling bearings. Without rolling elements, rolling bearings lose their meaning. Rollers are rolling elements in roller bearings. Theoretically, their contact with the raceway is line contact, so rollers can withstand large loads. When the bearing is working, the main movement of the roller is its own rotation and revolution around the center of the raceway. Actual use and tests have shown that rollers are the weakest parts in roller bearings. The manufacturing quality of rollers has a great influence on the working performance of bearings (such as rotation accuracy, vibration, noise and flexibility, etc.), and is the main factor affecting the service life of bearings.
There are many types of rollers, which can be classified according to shape, size and accuracy.
1. According to shape and size, they are divided into:
(1) Tapered rollers. The large end surface is called the base surface, which is divided into tapered base surface, flat base surface and spherical base surface; the cone angle ψ- is generally 1°~4° 20', and the larger the ψ angle is, the larger the cone angle roller is, which is mainly used for tapered or thrust tapered roller bearings.
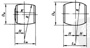
(2) Cylindrical roller
Lw<2.5Dw
Lw--------nominal roller length;
Dw------nominal roller diameter.
(3) Long cylindrical roller
Lw> 2. 5Dw
There are two types: journaled and non-journaled.
(4) Spherical roller. The roller is drum-shaped and can be divided into symmetrical spherical rollers and asymmetrical spherical rollers.
(5) Needle roller. The shape is slender and needle-like, Dw≤5mm, Lw>2.5Dw.
Needle rollers can be divided into flat head, cone head and arc head according to the shape of the head. They are mainly used in needle roller bearings and thrust needle roller bearings. They can also be used directly in equipment as commercial needle rollers.
(6) Spiral roller. It is made of steel strip with special cross-section. It is divided into left-handed and right-handed types, and its center is hollow. This type of roller is not widely used, and is mainly used in the working parts of machines subject to impact loads.
The basic shapes of various types of rollers are shown in the figure below.



2. According to the precision classification, rollers can be divided into the following four levels:
● Level 0: used for P2 bearings.
● Level 1: used for P4 bearings.
● Level 2: used for P5 bearings, more commonly used.
● Level 3: used for P6 and P0 bearings, most commonly used.
Level 0 and 1 rollers are very precise, difficult to produce, and not commonly used. The production volume is the smallest, and the mass production is 2 and 3 rollers. In production, each level of roller has corresponding technical requirements.
In addition, needle rollers are divided into three levels: G2, G3, and G5.
About JHB:
LuoYang JinShuo Precision Bearing Co., Ltd. is mainly committed to the R&D and sales of high-precision bearings and other special products, and provides bearings and transmission parts with high performance for customers' equipment. With quick response, from pre-sales technical communication to on-time production delivery, as well as perfect after-sales service, we win the recognition and trust of customers.
Our main products include cylindrical roller bearings, tapered roller bearings, slew bearings, gear drives, spindle bearings, crossed roller bearings, turret bearings, thin-wall bearings, tandem roller bearings, spherical roller bearings, etc. The bearing dimensions rang from 100mm to 6000mm, the accuracy reaches P5, P4 and P2 levels. The bearing are widely used in mining and metallurgy, industrial equipment, industrial gearboxes, petroleum equipment, cranes, medical equipment, robotic equipment, etc. Among them, cylindrical roller bearings with better performance and high-precision deep groove ball bearings have been explored for high-speed tubular strander rotating cable equipment, which have completely replaced imports, saving customers costs and time, and improving work efficiency. It has been recognized and widely praised by customers.
Contact JHB:
Address: Yiyang Bearing Industry Zone, Luoyang City, China 47100
Tel/Wechat: +86-18037970383
Whatsapp: +86-18037970383
Fax: 0086-379-65199160
E-mail: lyjh@lyjhbearing.com
sales@lyjhbearing.com
Website: www.chinajhbearing.com
www.lyjhbearing.com